-
-
潤滑泵TOP-2*HB
產品型號:潤滑泵TOP-2*HB
潤滑泵TOP-2*HB
- 產品介紹
- 規格參數
潤滑泵TOP-2*HB型號說明
潤滑泵TOP-2*HB規格表
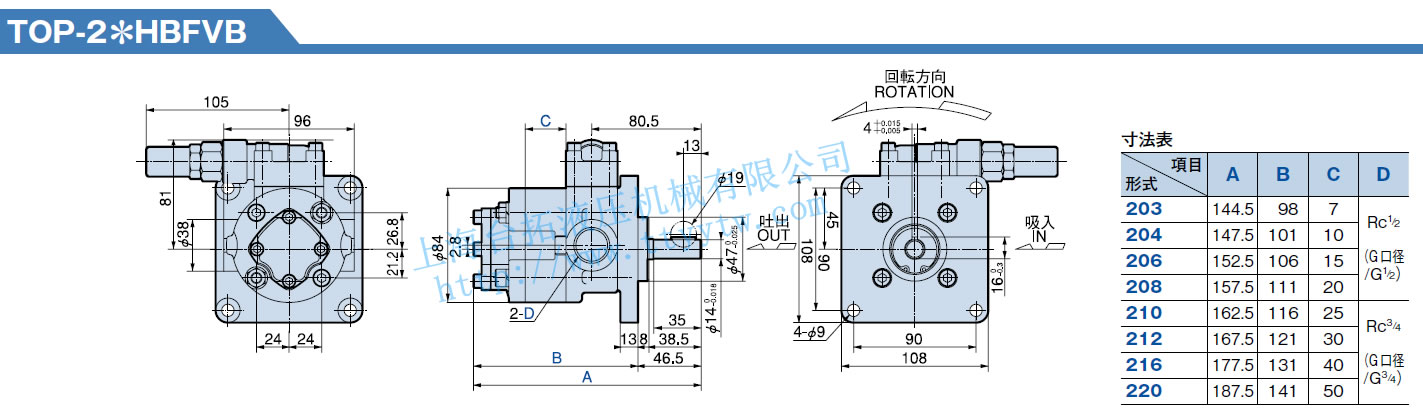
潤滑泵TOP-2*HB尺寸圖
潤滑泵TOP-2*HB尺寸圖下載 潤滑泵TOP-2*HBVB尺寸圖下載
潤滑泵TOP-2*HBVD尺寸圖下載 潤滑泵TOP-2*HBF尺寸圖下載
潤滑泵TOP-2*HBFVB尺寸圖下載 潤滑泵TOP-2*HBFVD尺寸圖下載
潤滑泵TOP-2*HB性能曲線
潤滑泵TOP-2*HB性能曲線下載
